Renault Clio V6 255 (L7X 762)
Engine Code: L7X 762
Power: 187 kW (254hp) @ 7150 rpm
Years: 2003-2005 (R-Cat)
Torque Specifications
| Component | Torque |
|---|---|
| Cylinder head | Maximum bolt length: 149,5 mmTighten: 20 NmIndividually slacken off: 360°Tighten: 15 NmTighten: 225°![]() |
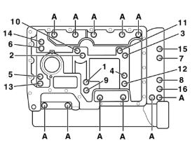
| Main bearings | M8: Maximum bolt length = 119 mmM11: Maximum bolt length = 131,5 mmTighten in the following stages:M11 = 30 NmM8 = 10 NmM6 (bolts A) = 10 Nm (in spiral pattern)Slacken off M8 and M11 boltsIndividually tighten M11 bolts to 30 Nm + 180°Individually tighten M8 bolts to 10 Nm + 180°![]() |
| Big end bearings | Stage 1: 20 NmStage 2: 74° |
| Oil pump to cylinder block | 8 Nm |
| Sump bolts | 8 Nm |
| Sump drain bolt | 20 Nm |
| Flywheel/driveplate | 45 Nm + 50°±5° (Use new nuts/bolts) |
| Clutch pressure plate | 14 Nm |
| Crankshaft pulley/damper centre bolt | 40 Nm + 80° |
| Crankshaft pulley/damper bolts | 25 Nm |
| Camshaft sprocket/gear | Hub to camshaft = 20 Nm + 60°Sprocket to hub = 10 Nm |
| Camshaft carrier/cap | 8 Nm |
| Camshaft/rocker cover | 10 Nm |
| Inlet manifold to cylinder head | 20 Nm |
| Exhaust manifold to cylinder head | 30 Nm |
| Spark plugs | 28±2 Nm |
| Lambda sensor (Oxygen) | 45 Nm |
| Knock sensor (KS) | 20 Nm |
| Front hub | 280 Nm |
| Rear hub | 280 Nm |
| Steering wheel | 44 Nm (Use new nuts/bolts) |
| Steering rack/box mounting | 180 Nm |
| Steering track rod end | 37 Nm |
| Brake disc to hub (Front) | 20 Nm |
| Brake caliper to carrier (Front) | 40 Nm |
| Brake caliper/carrier to hub (Front) | 100 Nm |
| Brake disc to hub (Rear) | 20 Nm |
| Brake caliper to carrier (Rear) | 40 Nm |
| Brake caliper/carrier to hub (Rear) | 100 Nm |
| ABS sensor (Front) | 8 Nm |
| ABS sensor (Rear) | 8 Nm |
| Road wheels | 110 Nm |

